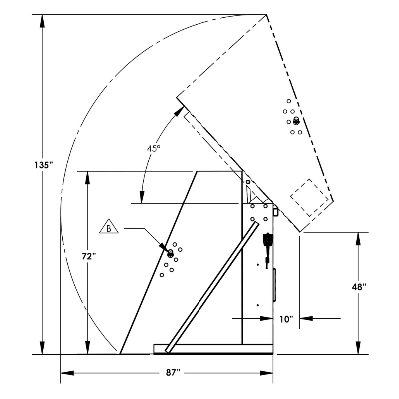
The Valley Craft Box Dumper (F80180A0) features a 51” x 48” chute, 48” dump height, and 4,000 lb. capacity, powered by a 460V, 2HP motor. It completes a dump cycle in under 60 seconds, with easy operation through a magnetic handheld pendant. Ships fully assembled and made in the U.S.A.
Valley Craft’s Box Dumper (F80180A0) makes unloading heavy containers faster and easier, helping reduce strain and boost efficiency. Built with a large 51″ x 48″ chute, a 48″ dump height, and a 4,000 lb. capacity, it’s perfect for gaylords, crates, tubs, cartons, and more. A spring-loaded hold-down bar adjusts in 2″ increments to fit containers between 30″ and 56″ tall, while a heavy-duty 7-gauge steel frame handles demanding use. Powered by a 2HP, 460V motor, the dumper completes a dump cycle in under 60 seconds using a handheld magnetic pendant. Operators can safely stop and start the cycle at any point, and optional side guards are available for added protection. Units ship fully assembled, finished in a durable green powder coat, and are made in the U.S.A.




