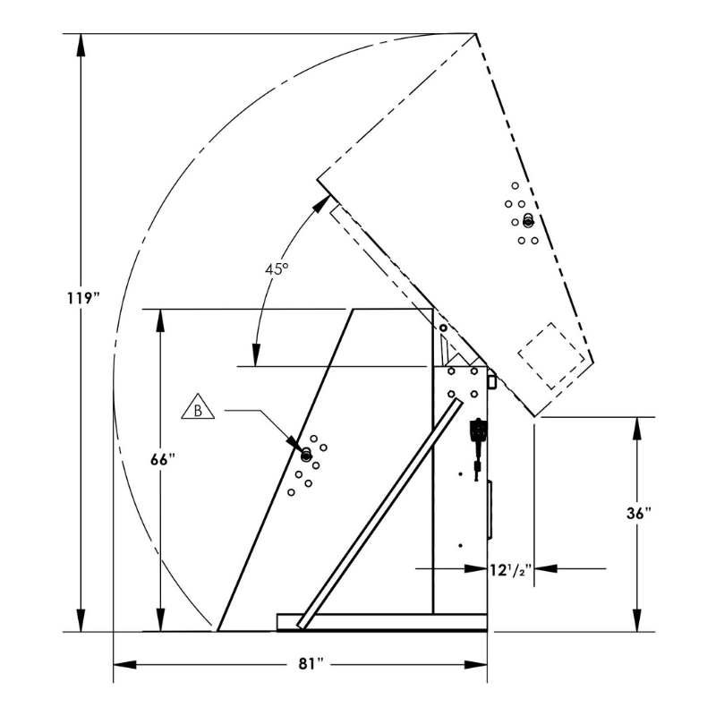
The Valley Craft Box Dumper (F80184A4) features a 51 x 48 inch chute, 36 inch dump height, and 2,000 lb. capacity for safe, efficient unloading. Includes a hold down bar, pendant control, and durable 460V motor. Made in the USA from 7 gauge steel and ships fully assembled.




