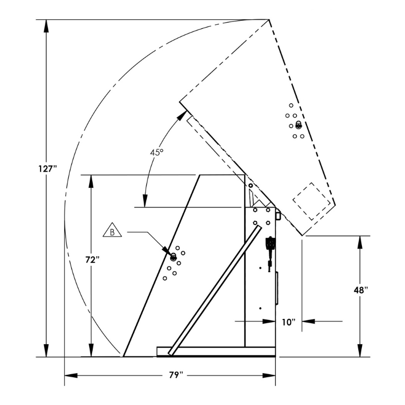
Valley Craft Box Dumper (F80190A0) features a 36 x 36 inch chute, 48 inch dump height, and 2,000 lb. capacity, offering a reliable way to unload a wide range of containers including gaylords, crates, and tubs. It operates on 460V power with a 2HP motor, includes a spring-loaded hold down bar for container security, and is built with heavy-duty 7 gauge steel. This unit ships fully assembled, is powder coated in green, and made in the USA for long-lasting performance.




