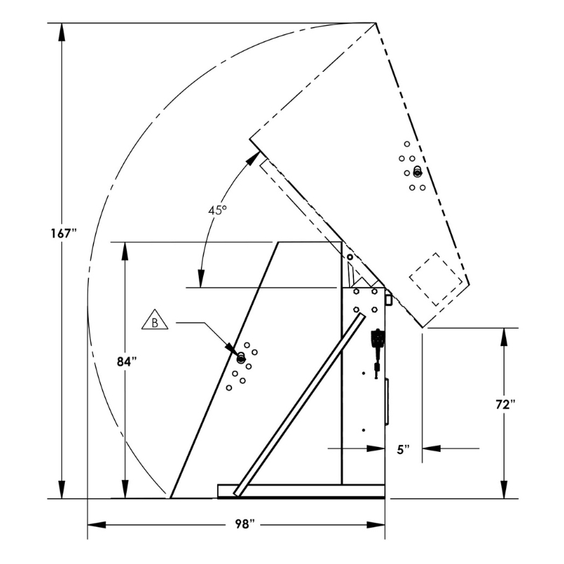
Valley Craft’s Box Dumper (F80172A2) features a 460V motor, 51 x 48″ chute, 72″ dump height, and 2,000 lb. capacity. Built from heavy duty 7 gauge steel, it includes a spring-loaded hold down bar and a 30-second powered dump cycle. Ships fully assembled and made in the U.S.A.




