The Valley Craft Box Dumper (F80189A9) features a 36” x 36” chute, 48” dump height, and 4,000 lb. capacity, powered by a 460V, 2HP motor with dual flow hydraulics and a magnetic handheld pendant. Ships fully assembled and made in the U.S.A.
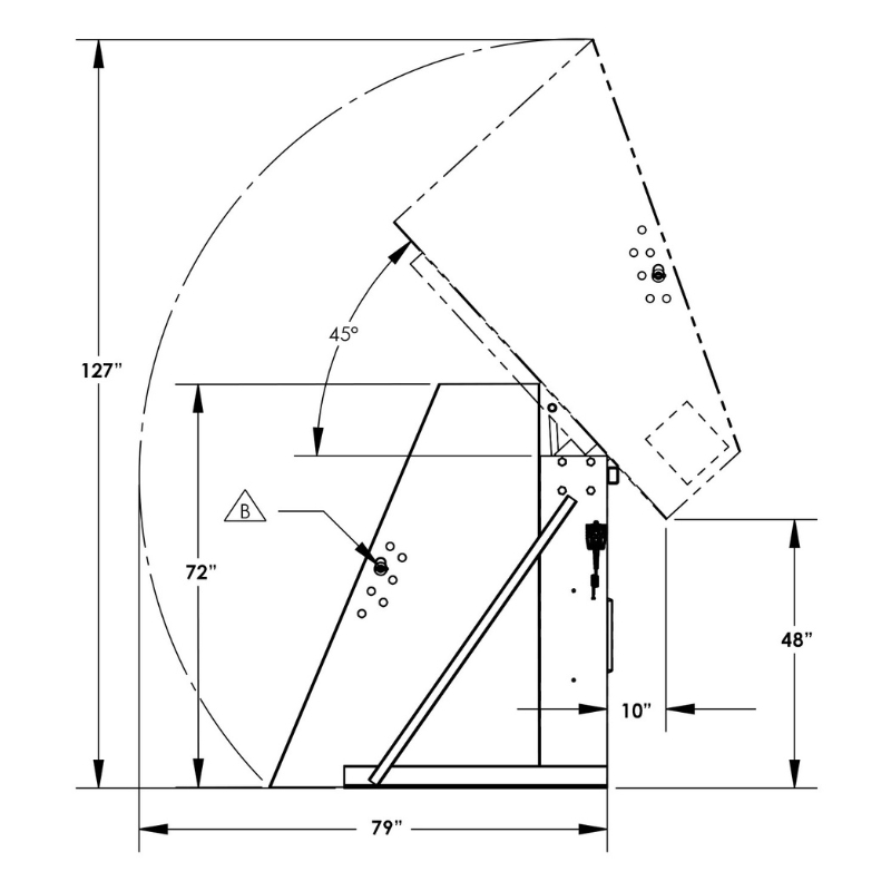
Valley Craft’s Box Dumper (F80189A9) is built to help you unload heavy containers quickly, safely, and with less physical strain. With a 36″ x 36″ chute, 48″ dump height, and 4,000 lb. load capacity, it’s a solid fit for common containers like gaylords, tubs, and crates. The spring-loaded hold-down bar adjusts to container heights between 30″ and 56″, while heavy-duty 7-gauge steel construction ensures durability. A 460V, 3-phase 2HP motor powers the dump cycle in under 60 seconds using a corded handheld pendant with magnetic backing. The unit features dual flow hydraulics for smoother motion and less wear, plus floor-mounting holes and safety decals for added security. It arrives fully assembled, painted in a green powder-coated finish, and is made in the U.S.A.




