Valley Craft box dumper (F80186A6) features a 460V, 2HP motor, a 36 x 36″ chute, and a 60″ dump height with a 4,000 lb. load capacity. The unit is constructed from heavy duty 7-gauge steel with a green powder coat finish and includes a dual flow hydraulic system for smooth operation. It arrives fully assembled and ready to use, and is made in the U.S.A.
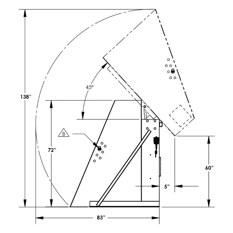
Valley Craft box dumper (F80186A6) provides a reliable and efficient way to unload containers while minimizing strain on workers and improving workflow. This model operates on 460V power and features a 36 x 36″ chute, 60″ dump height, and 4,000 lb. capacity, making it suitable for a wide range of material handling tasks. The spring-loaded hold down bar adjusts in 2″ increments to fit containers from 30″ to 56″ tall, and the rugged 7-gauge steel build ensures long-term durability even in demanding environments. Operators can control the full dump cycle using a 20′ magnetic handheld pendant, and the dual flow hydraulic valve provides smooth and balanced operation. This unit is shipped fully assembled, powder coated in green, and made in the U.S.A.




