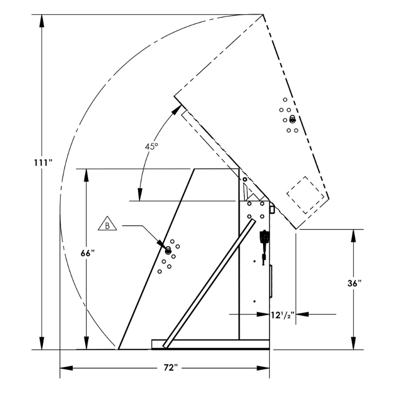
Valley Craft Box Dumper F89035 features a 36 x 36” chute, 36” dump height, and 4,000 lb. capacity, powered by a 230V, 2HP motor. The frame and side walls are built from 7-gauge steel and finished with a green powder coat. Ships fully assembled and made in the U.S.A.
Valley Craft’s Box Dumper (F89035) is a simple, reliable way to handle bulk materials while helping reduce the risk of strain or injury for workers. It runs on 230V power and includes a 36 x 36” chute with a 36” dump height, designed to manage up to 4,000 pounds. The unit works with a variety of container types like gaylords, tubs, crates, and cartons. A spring-loaded hold down bar adjusts in 2” increments to secure containers from 30” to 56” tall. It arrives fully assembled and ready to use, and is proudly made in the U.S.A.




