Designed to provide reliable, efficient, and high-performance material handling in any location or terrain – the EKKO EK18A 3 Wheel Electric Forklift is an indispensable tool. Made with steel components of superior quality plus robust drives that can handle heavy loads and sharp direction changes, this electric forklift ensures safe loading/unloading at truck docks, stock rooms, manufacturing floors as well as warehousing operations.
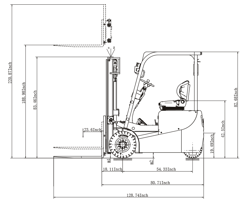
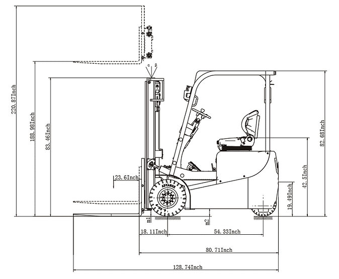
- Load Capacity 4000 lb
- Raised Height 189″ (15.75ft)
- Side Shifting Forks
- Free Lift 63”
- Adjustable Forks 9.4-35.6″
- Fork Length 45.3“
- Hydraulic Steering
- Curtis Instrument Controller
- ZF AC Drive Motor 7500 Watts
- 7700 Watts Lifting Motor
- Battery 48V/425Ah (included)
- Solid Cushion Tires
- Ergonomic Handle and Controls
- Steel Construction
- Robotic Welding
- Charger 48V/65A 480V
- 3-Year Limited Warranty




